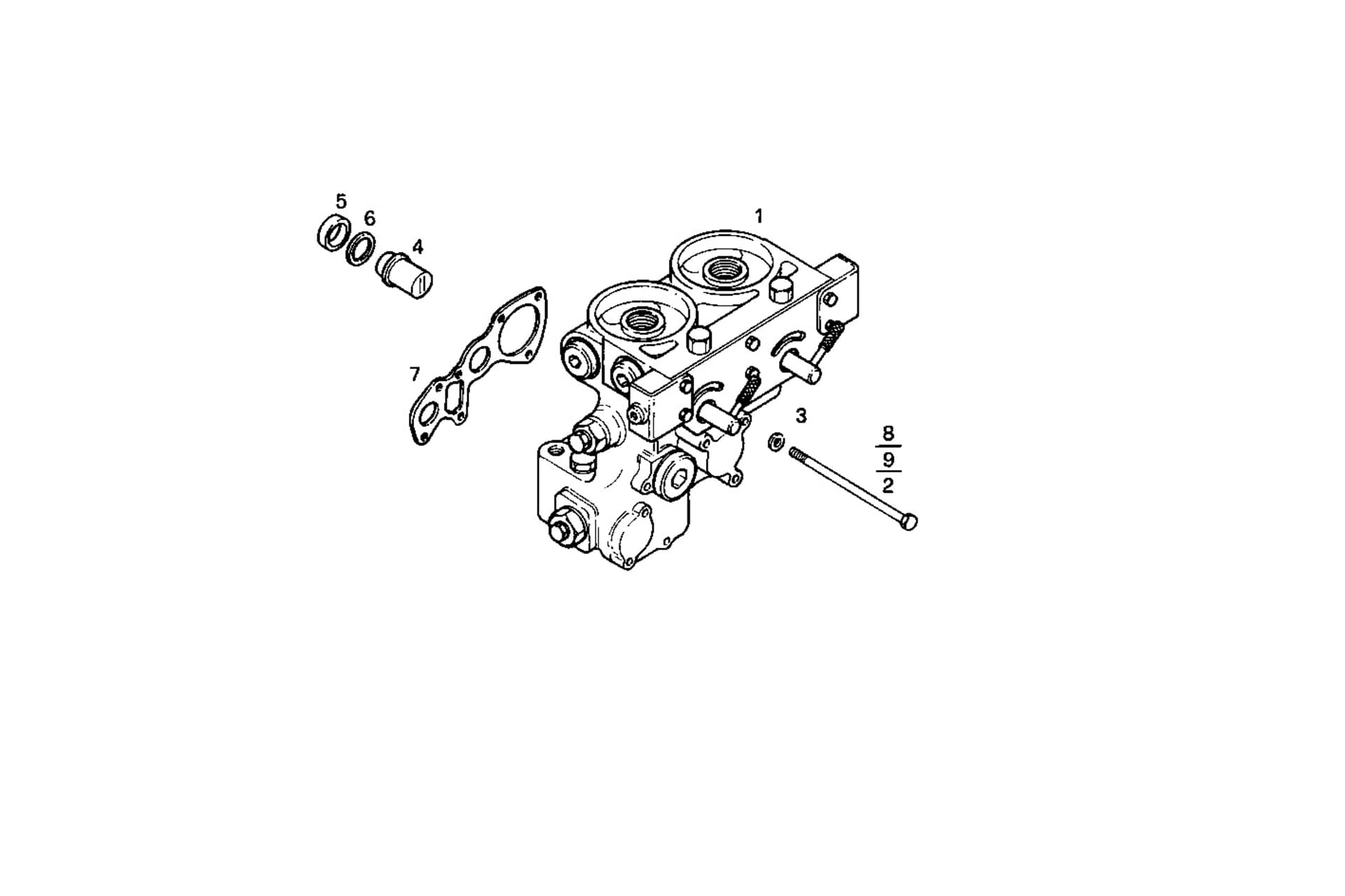
C13 ENTM 77.10