C13 ENTM 83.11 / ENGINE BLOCK ASSY

Viser 2 del(er)
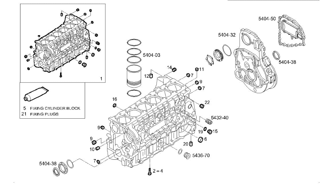
ENGINE BLOCK ASSY
C13 ENTM 83.11 / ENGINE BLOCK ASSY skjema

C13 ENTM 83.11 / ENGINE BLOCK ASSY

Viser 2 del(er) Deleliste
Skjema
no.
Navn Hvis du er kvalifisert for rabatt, vil den bli lagt til og vist etter pålogging. Pris
Skjema
no.
Navn Hvis du er kvalifisert for rabatt, vil den bli lagt til og vist etter pålogging.
2

SKRUE M18x2x196

FRY102600 504108192
Passer til 5 motor typer
327,50 kr Inkl. MVA
262,00 kr Ekskl. MVA
Skjema
no.
Navn Hvis du er kvalifisert for rabatt, vil den bli lagt til og vist etter pålogging.
7

PLUG DIA28

FRY086846 16990870
Passer til 15 motor typer
45,00 kr Inkl. MVA
36,00 kr Ekskl. MVA